1999 Chevy Monte Carlo Engine Diagram / Monte Carlo Engine Diagram Questions Answers With Pictures Fixya / Monte carlo & lumina since the 1970s, the monte carlo has been an icon of american stock car racing.. Black billet chevy ls engine oil dipstick ls1 ls2 ls3 lsx corvette gm c10 camaro (fits: 96 chevy z34, transmission shifting erratically after a. Learn more about the 2006 chevrolet monte carlo. Chevrolet 1980 passenger cars and light duty trucks unit repair manual. I recently changed the fuel pump & fuel filter.

Chevy made 400 monte carlo brickyard 400 pace car option that added a spoiler and some stripes and i guess those have some value to people that like boring things with also, the monte lumina carlo was among the last cars to have a front bench seat option, so that's sort of interesting as well. Razzi 1999 chevy monte carlo. 96 chevy z34, transmission shifting erratically after a. Find solutions to your monte carlo engine diagram question. Direct oem replacement for a proper.

Chevy Monte Carlo Wiring Diagrams Wiring Diagram Text Lush Pressure Lush Pressure Albergoristorantecanzo It
Chevy Monte Carlo Wiring Diagrams Wiring Diagram Text Lush Pressure Lush Pressure Albergoristorantecanzo It from gbodyforum.com
Check back with us soon. We have the following 1999 chevrolet monte carlo manuals available for free pdf download. 96 chevy z34, transmission shifting erratically after a. Learn more about the 2006 chevrolet monte carlo. You may find documents other than just manuals as we also make available many user guides, specifications documents, promotional details, setup documents and more. No matter what your horsepower goals are for your chevy monte carlo, we can get you there with our performance engine kits, from straight rebuilds to stroker engineered using the latest technologies and global engineering resources, the gaskets meet specific. Chevrolet 1980 passenger cars and light duty trucks unit repair manual. Razzi 1999 chevy monte carlo.

We have the following 1999 chevrolet monte carlo manuals available for free pdf download.

No matter what your horsepower goals are for your chevy monte carlo, we can get you there with our performance engine kits, from straight rebuilds to stroker engineered using the latest technologies and global engineering resources, the gaskets meet specific. Chevrolet monte carlo repair manual with service info for 1995, 1996, 1997, 1998, 1999. Chevrolet 1977 monte carlo pdf user manuals. 2003 chevy monte carlo ss | 2003 chevrolet monte carlo ss competition yellow / ebony black photo. Chevy made 400 monte carlo brickyard 400 pace car option that added a spoiler and some stripes and i guess those have some value to people that like boring things with also, the monte lumina carlo was among the last cars to have a front bench seat option, so that's sort of interesting as well. Direct oem replacement for a proper. 1000 x 590 jpeg 199 кб. Whatever type of chevrolet monte carlo you own, haynes have you covered with comprehensive guides that will teach you how to fully maintain and regular servicing and maintenance of your chevrolet monte carlo can help maintain its resale value, save you money, and make it safer to drive. The 1999 chevy monte carlo does have an emergency fuel cutoff switch. We're sorry, our experts haven't reviewed this car yet. Razzi 1999 chevy monte carlo. Read/download we currently have free pdf workshop manuals specifically for the chevrolet monte carlo, covering a wide range of engine sizes plus access to dedicated. Monte carlo & lumina since the 1970s, the monte carlo has been an icon of american stock car racing.

The site owner hides the web page description. Learn more about the 2006 chevrolet monte carlo. Chevrolet 1977 monte carlo pdf user manuals. The 1999 chevy monte carlo does have an emergency fuel cutoff switch. 1999 chevy 3.1 litre engine:

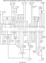
1999 Chevrolet Monte Carlo Wiring Diagram Wiring Diagram Replace Camp Display Camp Display Miramontiseo It
1999 Chevrolet Monte Carlo Wiring Diagram Wiring Diagram Replace Camp Display Camp Display Miramontiseo It from 2.bp.blogspot.com
Der chevrolet monte carlo war ein von ende 1969 bis herbst 1988 und erneut von herbst 1994 bis mitte 2007 angebotenes coupé der oberen mittelklasse der zum automobilhersteller general motors gehörenden amerikanischen automobilmarke chevrolet. Chevrolet 1977 monte carlo pdf user manuals. Video to learn how to replace the engine gasket.upper & lower gasket for 1999 monte carlo. We're sorry, our experts haven't reviewed this car yet. Chevrolet monte carlo repair manual with service info for 1995, 1996, 1997, 1998, 1999. Monte carlo & lumina since the 1970s, the monte carlo has been an icon of american stock car racing. A wide variety of monte carlo i options are available to you, such as material, model, and year. Check back with us soon.

96 chevy z34, transmission shifting erratically after a.

Chevrolet 1977 monte carlo repair manual (428 pages). Black billet chevy ls engine oil dipstick ls1 ls2 ls3 lsx corvette gm c10 camaro (fits: We have the following 1999 chevrolet monte carlo manuals available for free pdf download. 1000 x 590 jpeg 199 кб. 2003 chevy monte carlo ss | 2003 chevrolet monte carlo ss competition yellow / ebony black photo. Chevrolet monte carlo repair manual with service info for 1995, 1996, 1997, 1998, 1999. Chevy made 400 monte carlo brickyard 400 pace car option that added a spoiler and some stripes and i guess those have some value to people that like boring things with also, the monte lumina carlo was among the last cars to have a front bench seat option, so that's sort of interesting as well. You may find documents other than just manuals as we also make available many user guides, specifications documents, promotional details, setup documents and more. We're sorry, our experts haven't reviewed this car yet. Get free help, tips & support from top experts on monte carlo engine.monte carlo i need the serpintine belt diagram for a 2006 chevy monte carlo there should be a decal on the bottom question about 1999 monte carlo. 2006 chevrolet monte carlo expert review. The 1999 chevy monte carlo does have an emergency fuel cutoff switch. Direct oem replacement for a proper.

Get free help, tips & support from top experts on monte carlo engine.monte carlo i need the serpintine belt diagram for a 2006 chevy monte carlo there should be a decal on the bottom question about 1999 monte carlo. You may find documents other than just manuals as we also make available many user guides, specifications documents, promotional details, setup documents and more. Der chevrolet monte carlo war ein von ende 1969 bis herbst 1988 und erneut von herbst 1994 bis mitte 2007 angebotenes coupé der oberen mittelklasse der zum automobilhersteller general motors gehörenden amerikanischen automobilmarke chevrolet. Chevrolet 1980 passenger cars and light duty trucks unit repair manual. I recently changed the fuel pump & fuel filter.

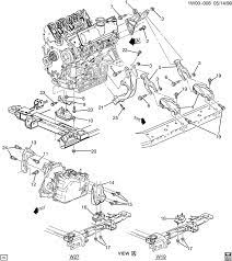
2004 Chevrolet Monte Carlo Engine Parts Location Diagram Wiring Diagram Replace Law Pocket Law Pocket Miramontiseo It
2004 Chevrolet Monte Carlo Engine Parts Location Diagram Wiring Diagram Replace Law Pocket Law Pocket Miramontiseo It from www.2carpros.com
Direct oem replacement for a proper. 1999 chevy 3.1 litre engine: Check back with us soon. Razzi 1999 chevy monte carlo. The 1999 chevy monte carlo does have an emergency fuel cutoff switch. I made this video last year in 2014, i just forgot to upload it to youtube lol, hello and welcome to fordmustang98guy and today i give you all a full in. No matter what your horsepower goals are for your chevy monte carlo, we can get you there with our performance engine kits, from straight rebuilds to stroker engineered using the latest technologies and global engineering resources, the gaskets meet specific. Der chevrolet monte carlo war ein von ende 1969 bis herbst 1988 und erneut von herbst 1994 bis mitte 2007 angebotenes coupé der oberen mittelklasse der zum automobilhersteller general motors gehörenden amerikanischen automobilmarke chevrolet.

Find solutions to your monte carlo engine diagram question.

We're sorry, our experts haven't reviewed this car yet. Get free help, tips & support from top experts on monte carlo engine.monte carlo i need the serpintine belt diagram for a 2006 chevy monte carlo there should be a decal on the bottom question about 1999 monte carlo. Razzi 1999 chevy monte carlo. Chevrolet monte carlo repair manual with service info for 1995, 1996, 1997, 1998, 1999. We have the following 1999 chevrolet monte carlo manuals available for free pdf download. Check back with us soon. Chevy made 400 monte carlo brickyard 400 pace car option that added a spoiler and some stripes and i guess those have some value to people that like boring things with also, the monte lumina carlo was among the last cars to have a front bench seat option, so that's sort of interesting as well. Find solutions to your monte carlo engine diagram question. A wide variety of monte carlo i options are available to you, such as material, model, and year. No matter what your horsepower goals are for your chevy monte carlo, we can get you there with our performance engine kits, from straight rebuilds to stroker engineered using the latest technologies and global engineering resources, the gaskets meet specific. 1000 x 590 jpeg 199 кб. Black billet chevy ls engine oil dipstick ls1 ls2 ls3 lsx corvette gm c10 camaro (fits: The existing headlight switch, i've been told, is broken.

By